欢迎访问欧力德食品机械(江苏)有限公司官网! 网站地图 SITEMAP
专注食品机械设备

设计研发各种果蔬加工机械成套设备

咨询电话

24小时咨询热线:

18961099766
  • 热门搜索:
  • 大型榨汁机,芒果打浆机,螺旋榨汁机
您当前的位置:首页 > 蔬菜类 > 叶菜类 > BM-102A多功能切菜机

中央厨房设备

联系我们

联系人:刘先生

电话:0523-84888995

手机:18961099766

网址:www.

地址:江苏省靖江市建安路18号

 

BM-102A多功能切菜机

概述:球根类:将萝卜、马铃薯,芋类、番薯、竹笋、洋葱、瓜类、茄子等切成片状、丝状、立方块、条状等多种形体 叶菜类:可将长条状葱、大蒜、韭黄、高丽菜、大白菜等切断、切珠、切片。

咨询热线:

18961099766

详细信息

规  格  说  明

外形尺寸

(加高)L1150xW550xL1255mm

(ㄧ般)L1165×W500×H1060 mm

重  量

150kg


球 根 类

叶 菜 类

能  力

450-600kg/小时

150-300kg/小时

形  状

切厚、薄片、切四角丝、切圆丝、切条、切角块、切斜片

切珠、切断、切长短均可调整

用  途

切萝卜、马铃薯、芋类、地瓜、竹笋、洋葱、瓜类、茄子等

切长条状葱、大蒜、韮黄、芹菜、高丽菜、大白菜

切断尺寸


0-30mm

动  力

电压:AC220V单相

马力:1HP

频率:50-60HZ

或依客户指定注一

电压:AC220V单相

1HP刀片马力1/2HP输送频率:50-HZ

【注一】:客户可指定之动力是指单相交流110V、单相交流220V、
                三相交流220V、三相交流380V


多功能切菜机零件说明


机器设备操作程序

开机步骤:
      1.先将调速器归零。
    2.清除输送带内的杂物。
      3.开启叶菜类摇头开关,并刀片输送带调整适当的长度 (依输送带的速度决定切出产的长度),把蔬菜放在输送带上即可切削。
      4.开启球根类摇头开关,即可投入食品。

关机步骤:
      1.让输送带运转,用水冲洗上下输送带,清洗完毕后将摇头开关关闭,即可清洗刀片。
      2.将球根类摇头开关往下压(OFF)。

注意事项

   1.   使用叶茎前必须校正输送带、安全开关、门扣、
   2.   球根类刀片必须用固定螺丝锁紧及装好。
   3.   固定刀盘螺丝,在取下刀盘清洗后应擦干。
   4.   调速器使用完毕后必须要将调速器调整至0。
   5.   机械固定好之前应先将地线装好。
   6.   叶菜类产品在放入输送带之前不可太大或太大把,高度应在输送带的皮带下方为准。
   7.   球根类产品应以一颗而不可太大或是太多,应与投入口口径来配合。


多功能切菜机操作说明

清洗方法

机器设备保养事项

检查叶茎类的刀轴心是否松动。               ( M 保养 )
检查刀片是否有磨损,应拆下来磨。       ( M 保养 )
检查门扣及门后钮是否牢固。                   ( W 保养 )
检查输送皮带是否校正平衡。                   ( W 保养 )
输送带传动轴应定期加润滑油。               ( W 保养 )
输送带传动齿轮、链条应定期加润滑油。 ( M 保养 )
输送带、刀片、马达的碳刷应检查轴承并定期加润滑油。 ( M 保养 )
叶菜类刀片传动轴应定期加润滑油。       ( W 保养 )
叶菜类刀片的传动马达皮带松紧应调整。( M 保养 )
球根类传动轴应定期加润滑油,并检查是有松动。( W 保养 )
检查球根类传动轴的卡锁是否脱落,须焊死( M 保养 )
检查球根类固定刀盘螺帽、螺丝是否损害应更换。( W 保养 )
传动链条的固定轴承应定期加黄油。       ( W 保养 )
球根类片刀、切丁刀应定期研磨。           ( W 保养 )
机台轮子应定期加润滑油。                       ( W 保养 )
检查调速器的电源线是否破损,螺丝是否有松动的现象。 (W 保养 )

D:日保养
W:周保养
M:月保养    


故障排除

失常故障

可能原因

排除方式

刀片不运转

安全门插销没有对准、安全开关套管没有接触到安全开关、调速器故障

对准安全开关插管即可,更换调速器

刀片输送带不走

电源线脱落或无电来、变频器乱码

检查电源线并固定好,关掉总开关,从新归零再打开一次即可

输送带有异声

链条生锈、轴承失油

应加油保养,更换轴承

输送带偏左偏右

输送带太松、输送带轴承固定套损害

调整左右螺丝并固定好,将输送带方向对正,更换轴承

刀片有晃动、异声

刀片轴芯轴承失油

应将刀片轴芯轴承加油保养或更换之

机械不运转

开关损害,刀盘卡死,没装好,皮带松脱,电线脱落

检查线路,拆下刀盘,调整

皮带

切丝有片状不成规则

丝刀有损害,丝刀太短,刀片不尖

更换刀盘,拆下片刀磨利丝

刀用金钢挫刀磨利


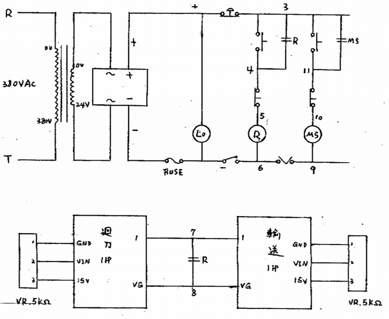
电路图


技术参数:

   寸:1200*500*1210(mm) 

   压:220V 50Hz

   率:1.2kw

机器重量:150kg

   量:球根类:450-650kg/h

叶茎类:100-350kg/h

切断长度:1-30(mm)

产品用途:

适合食品加工厂,餐饮行业,饭堂,餐饮配送中心使用。


产品特点:

球根类:将萝卜、马铃薯,芋类、番薯、竹笋、洋葱、瓜类、茄子等切成片状、丝状、立方块、条状等多种形体

叶菜类:可将长条状葱、大蒜、韭黄、高丽菜、大白菜等切断、切珠、切片。